设为首页 | 加入收藏夹 | 联系我们
 

智慧水环境

污水零直排监测解决方案
方案概述:
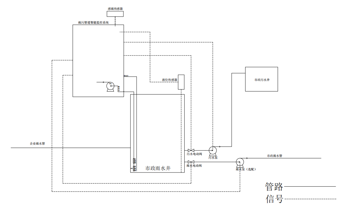
“智慧排口”采用雨污管道智能监控系统,实现pH、电导率、水温、COD(紫外吸收法)、氨氮(离子选择法)、总磷、液位信号、感雨信号等参数的监测。 “智慧排口”主要实现企业雨水混合后排入河道前的监测,确保零直排。通过水质自动监测微型站2控制大流量水泵运转,将混有污水的雨水作为污水处理,实现零排放。 企业雨水排放口,采用雨污管道智能监控系统,实现pH、水温、CODcr、氨氮、总磷、液位信号、感雨信号等参数的监测;一般涉水企业实现pH、水温、CODcr、总磷、液位信号、感雨信号等参数的监测。

智慧雨排口

“智慧排口”采用雨污管道智能监控系统,实现pH、电导率、水温、COD(紫外吸收法)、氨氮(离子选择法)、总磷、液位信号、感雨信号等参数的监测。

“智慧排口”主要实现企业雨水混合后排入河道前的监测,确保零直排。通过水质自动监测微型站2控制大流量水泵运转,将混有污水的雨水作为污水处理,实现零排放。


设有主副双液位检测功能,正常情况下水位到达主液位时,启动电导率测量,以电导率测量结果作为雨水是否排入河道的判定条件,副液位用作备用液位,当主液位故障时,启动副液位,保证液位监测冗余可靠。

采用快速测量水质的技术方案进行雨水排放监测,进行雨水多个参数的监测,更加能够体现排放雨水水质状况,较原有智慧排口采用单一电导率监测的方式更加科学,满足降雨条件下的雨水是否排放入河道做快速判定,同时能分析出该点水质具体情况。

该监测方案与现行试点智慧排口方案结合,可以形成更加智慧的雨水排口,不仅能有效阻断超标雨水排向河道,同时能有效减轻污水处理厂不必要的负担。为河道零直排提供保障。


采用总磷代替原有总磷的监测方式,能够在保证水质监测结果有效的情况下大幅度减少监测时长,达到快速实时监测雨水排放口水质状况。



智慧排口工作原理.png

智慧排口工作原理


企业雨排口

企业雨水排放口,采用雨污管道智能监控系统,实现pH、水温、CODcr、氨氮、总磷、液位信号、感雨信号等参数的监测;一般涉水企业实现pH、水温、CODcr、总磷、液位信号、感雨信号等参数的监测。

企业雨水排放的监测。作为园区水监测的源头,对于后续监测非常重要,能以此推理出污染水体所在区域,对于治理工作的有序开展具有指导性意义。该系统在监测过程中,发现具有污染性的水样,系统会进行自动留样保存,为雨水污染溯源提供有效的证据来源。

重点涉水企业与非涉水企业区别对待。


企业排口采水原理.png


企业排口采水原理



水环境监管平台采用AI模型对水质基本情况以及入河排污口进行监管、利用机器学习算法构建断面水质预测预报模型、按照“因子分析-聚类分析-层次分析”构建水质溯源模型,实现水环境预警与溯源两大功能,构建水环境监管“测-管-评”机制,完善区域内水环境监管联防联控体系。


智慧雨排口监测现场图                                                                                       企业雨排口监测现场图


污水零直排.jpg

 
环境保护系列
全性能降水自动监测系统
降雨自动监测仪
智能酸沉降采样器
智能水样采样器
自动排空水采样器
自动排空超标留样器
等比例混合采样超标留样器
自动加保存剂超标留样器
水质自动采样器
智能恒温超标留样器
水质采样器—柜式岸边站
便携式水样采样器
便携式等比例水样采样器
综合大气采样器
智能TSP中流量采样器
大气氟化物采样器
烟气采样器(便携式)
烟气采样器(固定式)
四路大气采样器
四路恒流大气采样器
大气采样器—空气VOCs
大气采样器—恒温恒流
职业卫生系列
粉尘采样器(矿用)
个体粉尘采样器(矿用)
个体空气采样器
个体空气采样器(袖珍式)
便携尘气两用采样器
便携粉尘采样器
便携大气采样器
大气采样器(防爆)
便携大气(恒流)采样器
气象系列
酸雨自动观测系统(北方版)
酸雨自动观测系统(南方版)
辐射系列
气碘采样器
大气氚采样器
大气 C14 采样器
大流量气溶胶采样器
超大流量气溶胶采样器
干湿沉降自动采样器
环境氚在线自动监测系统
销售热线
0571-56077302
E-mail: sales@gdxdxxjgxx.com
ADD: 浙江省杭州市富阳区银湖街道富闲路9号银湖创新中心7号楼2、3、4层
浙江BG视讯平台仪器仪表股份有限公司 版权所有 浙ICP备11010066号-1 技术支持:玄唐科技
bg视讯官网平台(中国) - 官方网站app下载最新版大全 - 绿色资源网